一、阀门定位器阀门定位器按结构分:气动阀门定位器、电气阀门定位器及智能阀门定位器,是调节阀的主要附件,通常与气动调节阀配套使用,它接受调节器的输出信号,然后以它的输出信号去控制气动调节阀,当调节阀动作后,阀杆的位移又通过机械装置反馈到阀门定位器,阀位状况通过电信号传给上位系统。
结构
阀门定位器按其结构形式和工作原理可以分成气动阀门定位器、电-气阀门定位器和智能式阀门定位器。
阀门定位器能够增大调节阀的输出功率,减少调节信号的传递滞后的情况发生,加快阀杆的移动速度,能够提高阀门的线性度,克服阀杆的摩擦力并消除不平衡力的影响,从而保证调节阀的正确定位。
定位器分类
1、阀门定位器按输入信号分为气动阀门定位器、电气阀门定位器和智能阀门定位器。
气动阀门定位器的输入信号是标准气信号,例如,20~100kPa气信号,其输出信号也是标准的气信号。电气阀门定位器的输入信号是标准电流或电压信号,例如,4~20mA电流信号或1~5V电压信号等,在电气阀门定位器内部将电信号转换为电磁力,然后输出气信号到拨动控制阀。智能电气阀门定位器它将控制室输出的电流信号转换成驱动调节阀的气信号,根据调节阀工作时阀杆摩擦力,抵消介质压力波动而产生的不平衡力,使阀门开度对应于控制室输出的电流信号。并且可以进行智能组态设置相应的参数,达到改善控制阀性能的目的。
2、按动作的方向可分为单向阀门定位器和双向阀门定位器。单向阀门定位器用于活塞式执行机构时,阀门定位器只有一个方向起作用,双向阀门定位器作用在活塞式执行机构气缸的两侧,在两个方向起作用。
3、按阀门定位器输出和输入信号的增益符号分为正作用阀门定位器和反作用阀门定位器。正作用阀门定位器的输入信号增加时,输出信号也增加,因此,增益为正。反作用阀门定位器的输入信号增加时,输出信号减小,因此,增益为负。
4、按阀门定位器输入信号是模拟信号或数字信号,可分为普通阀门定位器和现场总线电气阀门定位器。普通阀门定位器的输入信号是模拟气压或电流、电压信号,现场总线电气阀门定位器的输入信号是现场总线的数字信号。
5、按阀门定位器是否带CPU可分为普通电气阀门定位器和智能电气阀门定位器。普通电气阀门定位器没有CPU,因此,不具有智能,不能处理有关的智能运算。智能电气阀门定位器带CPU,可处理有关智能运算,例如,可进行前向通道的非线性补偿等,现场总线电气阀门定位器还可带PID等功能模块,实现相应的运算。
6、按反馈信号的检测方法也可进行分类。
例如,用机械连杆方式检测阀位信号的阀门定位器:用霍尔效应检测位移的方法检测阀杆位移的阀门定位器:用电磁感应方法检测阀杆位移的阀门定位器等。
工作原理
阀门定位器是控制阀的主要附件.它将阀杆位移信号作为输入的反馈测量信号,以控制器输出信号作为设定信号,进行比较,当两者有偏差时,改变其到执行机构的输出信号,使执行机构动作,建立了阀杆位移量与控制器输出信号之间的一一对应关系。因此,阀门定位器组成以阀杆位移为测量信号,以控制器输出为设定信号的反馈控制系统。该控制系统的操纵变量是阀门定位器去执行机构的输出信号。
定位器作用原理
用于对调节质量要求高的重要调节系统,以提高调节阀的定位精确及可靠性。
用于阀门两端压差大的场合。通过提高气源压力增大执行机构的输出力,以克服液体对阀芯产生的不平衡力,减小行程误差。
当被调介质为高温、高压、低温、有毒、易燃、易爆时,为了防止对外泄漏,往往将填料压得很紧,因此阀杆与填料间的摩擦力较大,此时用定位器可克服时滞。
被调介质为粘性流体或含有固体悬浮物时,用定位器可以克服介质对阀杆移动的阻力。
用于大口径的调节阀,以增大执行机构的输出推力。
当调节器与执行器距离在60m以上时,用定位器可克服控制信号的传递滞后,改善阀门的动作反应速度。
用来改善调节阀的流量特性。
一个调节器控制两个执行器实行分程控制时,可用两个定位器,分别接受低输入信号和高输入信号,则一个执行器低程动作,另一个高程动作,即构成了分程调节。
适配品种
常用执行机构分气动执行机构,电动执行机构,有直行程、角行程之分。用以自动、手动开闭各类阀门、风板等。
二、气动阀门定位器
工作原理
气动阀门定位器是气动调节阀的重要附件和配件之一,起阀门定位作用。
气动阀门定位器是按力矩平衡原理工作的,当通入波纹管2的信号压力P1增加时,使主杠杆3绕支点转动,使喷嘴挡板9靠近喷嘴,喷嘴背压经单向放大器8放大后,通入到执行机构薄膜室的压力增加,使阀杆向下移动。并带动反馈杆绕支点转动,反馈凸轮也随之作逆时针方向转动,通过滚轮使副杠杆4绕支点转动,并将反馈弹簧拉伸,弹簧对主杠杆3的拉力与信号压力用在波纹管上的力达到力矩平衡时,仪表达到平衡状态。执行机构的阀位维持在一定的开度上,一定的信号压力就对应于一定的阀位开度。以上作用方式为正作用,若要改变作用方式,只要将凸轮翻转,A向变成B向等,即可。所谓正作用定位器,就是信号压力增加,输出压力亦增加;所谓反作用定位器,就是信号压力增加,输出压力则减少。一台正作用执行机构只要装上反作用定位器,就能实现反作用执行机构的动作;相反,一台反作用执行机构只要装上反作用定位器,就能实现正作用执行机构的动作。
气动阀门定位器
结构原理
气动阀门定位器接收来自控制器或控制系统中4~20mA等弱电信号,并向气动执行机构输送空气信号来控制阀门位置的装置。
其与气动调节阀配套使用,构成闭环控制回路。把控制系统给出的直流电流信号转换成驱动调节阀的气信号,控制调节阀的动作。同时根据调节阀的开度进行反馈,使阀门位置能够按系统输出的控制信号进行正确定位。
主要功能
气动阀门定位器与气动执行机构共同构成自控单元和各种调节阀连接经过调试安装后,组合成气动调节阀。用于各种工业自动化过程控制领域当中。
三、电气阀门定位器
由于现在DCS在现场使用越来越多,很多控制器都是使用了中控系统的控制器,所以中控到现场的都是4-20mA的电信号,到现场又需要阀动作的比较快。
虽然阀门定位器由*初的气/气阀门定位器、电/气阀门定位器发展到现在的数字阀门定位器、区域总线阀门定位器,但它们的基本原理和主要功能都没有大的改变。
定位器中基本自控元件介绍--电/气转换器原理
随着仪表技术的发展,气动仪表领域已逐步被电动仪表和计算机控制所占领,现在只有在一些特殊的场合还在使用气动仪表,作为仪表中的阀门附件“定位器”也由原来的气动阀门定位器逐步由电/气阀门定位器所代替。
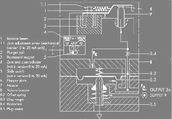
那么在电/气阀门定位器中输入的电信号是如何转换成气信号的呢?我们以SAMSON 6111 型电/气转换器为例介绍一下它的工作原理(见图1):

图1 Function Diagram of 6111
气动功率放大器在设计时;选用合适的弹簧力,使当输入信号为0 mA 时保持输出PA 在100mbar ,这样输出的压力通过恒节流孔使喷嘴内有一定的背压。
当输入的信号增加时;通电的线圈切割永久磁铁的磁力线,产生向上的力→挡板靠近喷嘴使背压增加→膜片↓→打开阀芯→输出PA↑。
当输入信号减少时;挡板离开喷嘴→背压减少→输出压力作用下膜片↑→阀芯关死→输出压力通过阀芯释放。
当PA 同PK 平衡时输出压力保持不变;这时电信号在线圈中产生的力也同背压取得平衡。
这样输入的电信号就转换成气信号了。
定位器的组成
以SAMSON 的4763 电/气阀门定位器为例,定位器主要组成部分见图2。
图2
1.反馈杆 2.反馈弹簧 3.反馈风箱 4. 气动功率放大器 5. 电/气转换器
定位器工作原理
1. 模拟定位器
我们还是以SAMSON的4763定位器为例。我们设:调节阀为FC;定位器为正作用
A) 阀位根据输入信号成比例动作
输入信号↑→Pe 点气压↑→反馈风箱中连杆向左动作→压紧弹簧,挡板靠近喷嘴→输出风压↑→阀杆↑→压紧弹簧→反馈风箱中连杆向右动作→挡板离开喷嘴→输出气压↓。当反馈弹簧的力与反馈风箱的力平衡时,阀位保持与输入信号对应的位置。
B) 定位
当输入信号不变时:
由于工艺条件变化导致阀杆↑→压紧执行器弹簧→压紧弹簧→反馈风箱中连杆向右动作→挡板离开喷嘴→输出气压↓→由执行器向下的弹簧力使阀位回到原来的地方。
由于工艺条件变化导致阀杆↓→放松执行器弹簧→放松弹簧→反馈风箱中连杆向左动作→挡板靠近喷嘴→输出气压↑→使执行器向上运动使阀位回到原来的地方。
调试
调至零点时给调节阀输入电流信号,如若阀位指针指示不在零位上,打开阀门定位器,缓慢调节调零旋钮,使阀位指针指示零位。调节量程时,调节定值器使其输出值达到阀门所需的气源压力值。零位调准以后,分别给调节阀输入8mA、12mA、16mA和20mA信号,阀位指针应分别指向25%、50%、75%和100%。如果指示不准确,可微调节调零旋钮,便能指示准确。如果效果仍不太好,那就是行程量不足,松动量程调节锁紧螺钉,并转动量程调节螺钉,调节结束后拧紧锁紧螺钉。通过反复调整零点和量程,使执行机构的行程在公差范围内。
故障总结
1. 阀门定位器有输入信号但是没有输出信号。
电磁铁组件发生故障,建议换电磁铁组件。
供气压力不对,建议检查气源压力。
气动放大器挡板零点调节过高,挡板远离喷嘴。
气路堵塞。
气路连接有误。
电/气定位器输入信号线正负极接反。
2.阀门定位器没有输入信号但是输出信号一直*大。
气动放大器挡板零点调节过低,挡板过于压紧喷嘴。
喷嘴堵塞。
输出压力缓慢或不正常。
会导致调节阀的膜头受损、漏气,造成有输入信号但调节阀动作缓慢的故障,使调节阀达不到及时调节的效果,处理办法检查膜室,更换膜片。
3.定位器线性不好
反馈凸轮或弹簧选择不当或者方向不对。
反馈连杆机构安装不好或者在某些位置有卡住的现象。
喷嘴或挡板有异物。
背压有轻微泄漏现象。
结语
为阀门定位器提供的压缩空气必须是经过过滤器清洁的空气。工作中拆卸的部件,在调节结束后一定要正确的固定。注意不要使磁性装置受到震动或对其施加过大的力,这样会使零件受损,工作性能降低。应尽量减少拆卸喷嘴挡板装置的次数。