返回
传感器
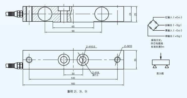
ZMHBQE型轴承座式传感器
安徽智敏电气技术有限公司
2019-02-18 14:04
价格:未填
发货:3天内
购买咨询
特性:可直接作为定滑轮座,作为测量称重载体,测量精度高、性能可靠、体积小、安装简便。
应用领域:主要用于电梯超重保护以及其他工程起重设备中。
联系方式
公司:
安徽智敏电气技术有限公司
姓名:李舒、徐小林(女士)
电话:
0552-3151656
手机:
18955213197
地区:安徽-蚌埠市
地址:安徽省蚌埠市龙子湖区老山路712号
邮件:
357671314@qq.com
QQ:
357671314
发表评论
0评