返回
传感器
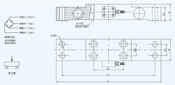
ZMHBQA型轴承座式传感器
安徽智敏电气技术有限公司
2019-02-18 14:04
价格:未填
发货:3天内
购买咨询
特性:采用桥式结构,安装高度低,接触面积大,钢性好,适用寿命长,适用于各种恶劣环境。
使用领域:各类起重设备,安装限载保护装置等。
联系方式
公司:
安徽智敏电气技术有限公司
姓名:李舒、徐小林(女士)
电话:
0552-3151656
手机:
18955213197
地区:安徽-蚌埠市
地址:安徽省蚌埠市龙子湖区老山路712号
邮件:
357671314@qq.com
QQ:
357671314
发表评论
0评