返回
蝶阀
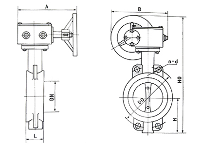
捷耐特涡轮对夹蝶阀D371X-16Q阀门生产厂家
捷耐特阀门集团
2023-08-31 09:59
价格:未填
品牌:捷耐特
发货:3天内
购买咨询
产品型号:
D371X-16Q
技术参数:
公称通经
DN50~1200
公称压力
1.0~1.6MPa
适用温度
-20℃~120℃
适用介质
水、油品、气体
阀体材料
QT450
适用行业:
涡轮对夹式蝶阀具有结构长度短、体积小、重量轻等优点。适用于自来水、中水、污水、油品、烟气、蒸汽等介质。广泛用于建筑给排水、石油、化工、环保、轻纺、造纸等行业。
联系方式
公司:
捷耐特阀门集团
姓名:周经理(先生)
电话:
029-86560288
手机:
17391987427
传真:029-86560288
地区:陕西-西安市
地址:西安市高新区发展大道25号
发表评论
0评