品牌:德国沃德WODE
口径:DN25-DN400
压力:1.0-2.5Mpa
温度:-50℃~+150℃
起订:1台
供应:1000台
发货:3天内
进口衬氟旋塞阀
德国沃德WODE进口衬氟旋塞阀是用带通孔的旋塞做为启闭件,通过旋塞的旋动实现关闭的阀门,具有密封性能好,使用寿命长,双向同时密封的优点。旋塞阀启闭迅速、流体阻力小。德国沃德WODE的衬氟旋塞阀系列产品有衬里旋塞阀(全衬型)和衬套旋塞阀(半衬型)。衬氟旋塞阀适用在-50~150℃的各种浓度的王水、硫酸、盐酸、氢氟酸和各种有机酸、强酸、强氧化剂,FEP还适用于各种浓度的强大碱有机溶剂以及其它腐蚀性气体、液体介质的管路上用于截断介质流动。
进口衬氟旋塞阀主要技术参数:
口径:DN25~DN400
公称压力:0.6、1.0、1.6、2.5Mpa或class150
温度:-50℃~+150℃
衬里:全衬、半衬
结构长度:GB12221、HG/T3704-2003、ANSI B16.10
法兰尺寸:HG20592-97、ANSIB16.5a
结构形式:直通、L型三通、T型三通
驱动方式:手动、电动、气动
压力试验:GB/T 13927、API598
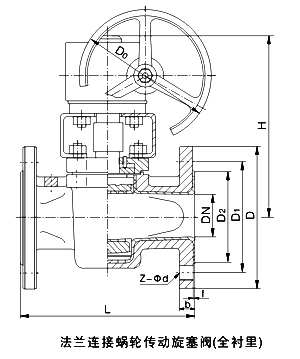
进口衬氟旋塞阀结构图:
注:由于网站版面的原因,具体外形尺寸请致电沃德各代理商。
德国沃德WODE进口衬氟旋塞阀有特强的耐腐蚀性,可长期输送任意浓度的酸、碱、盐液体介质使用寿命长,不老化,无毒素分解等优点,既有碳钢外壳的强度,又有内衬氟材料的耐腐蚀,是石油、化工、橡胶、塑料、制药、造纸、电镀、冶炼等诸多行业的理想选择。
如有任何疑问;您可以致电给我们,我们一定会尽心尽力为您提供优质的服务!如果您有需要咨询更详细的产品信息,德国沃德WODE阀门中国区授权代理商-北京永德宝阀门有限公司欢迎您来电咨询订购。
