品牌:ROPO
包装:纸箱
连接:对夹
起订:1台
供应:1000台
发货:2天内
购买咨询
德国罗普RP-820气动中线对夹蝶阀产品简介:
德国罗普中线蝶阀的结构特征为阀杆轴心、蝶板中心、本体中心在同一位置上。结构简单、制造方便。常见的衬胶蝶阀即属于此类。缺点是由于蝶板与阀座始终处于挤压、刮擦状态、阻距大、磨损快。为克服挤压、刮擦、*证密封性能、阀座基本上采用橡胶或聚四氟乙烯等弹性材料、但也因密封材料在使用上受到温度的限制、这就是为什么传统上人们认为蝶阀不耐高温的原因。
规格参数
公称通径:DN50-DN2000mm
连接方式:对夹式、凸耳式、法兰式
阀体材料:铝合金、球墨铸铁、不锈钢
阀板材料:球铁尼龙覆层、球铁电镀、不锈钢、铝青铜
结构长度:ISO5752 API609 GB12221
阀门设计符合:GB12238标准
阀门测试根据ISO 5208
(1)密封测试压力:1.1XPN
(2)阀体强度测试压力:1.5XPN
密封材料及工作温度:三元乙丙橡胶EPDM:-35~+135℃ 丁Jing橡胶NBR:-25~+90℃ 聚四Fu乙烯PTFE:-40~+200℃ Fu橡胶FPM:-29~+205℃
适合法兰:PN6/10/16Kg ANSI CLASS 125/150,JIS 5/10K
工作压力:2"-12"ANSI CLASS 125/150,14"-48"ANSI CLASS 125,DN50-DN1200 PN16
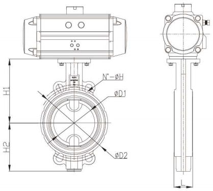
结构尺寸:

尺寸规格:

